Reglage Chaudiere Chaffoteaux Inoa . Chaudière Chaffoteaux Inoa / pigma / talia teste222 YouTube Voir et télécharger CHAFFOTEAUX INOA 25 FF notice technique d'installation et d'entretien en ligne INOA GREEN ULTRA chaudières téléchargement de manuel pdf.
CHAFFOTEAUX Chaudière murale gaz basse température ECS Inoa Evo 25 CF FR EU Classe énergétique from www.cedeo.fr
INOA 25 CF chaudières téléchargement de manuel pdf Aussi pour: Inoa 30 cf, Inoa 24 vmc. Conseils pratiques pour une utilisation optimale de votre chaudière Chaffoteaux Inoa
CHAFFOTEAUX Chaudière murale gaz basse température ECS Inoa Evo 25 CF FR EU Classe énergétique Pour garantir son bon fonctionnement et assurer un confort optimal, il est essentiel de bien régler cette chaudière. FR Mode d'emploi pour l'utilisateur Cette notice est destinée aux appareils installés en France CHAUDIÈRE MURALE À GAZ À CONDENSATION INOA GREEN ULTRA Découvrez les astuces pour une température idéale !
Source: djmarcogqk.pages.dev Chaudières Chaffoteaux , Maximisez votre confort thermique avec notre guide complet de réglage pour chaudière Chaffoteaux Voir et télécharger CHAFFOTEAUX INOA NOx 25 CF notice technique d'installation et d'entretien en ligne
Source: plugfacemyx.pages.dev Surpression, chaudière Chaffoteaux Inoa coule ! HEEEELP , INOA NOx 25 CF chauffages au gaz téléchargement de manuel pdf Aussi pour: Inoa nox 25 shunt cf, Inoa nox 24 vmc, 3310636, 3310635, 3310634. Voir et télécharger CHAFFOTEAUX INOA NOx 25 CF notice technique d'installation et d'entretien en ligne
Source: sauflonhmd.pages.dev CHAFFOTEAUX MIRA C GREEN Entretien chaudières 59 Eur sur Toulouse , FR INOA NOx Notice technique d'installation et d'entretien Cette notice est destinée aux appareils installés en France CHAUDIÈRE MURALE À GAZ Voir et télécharger CHAFFOTEAUX INOA GREEN ULTRA notice technique d'installation et d'entretien en ligne
Source: graildxtko.pages.dev Commande à distance pour chaudière Chaffoteaux Expert Control ref 3318870 , Recherche mode d'emploi du Chaudière CHAFFOTEAUX Inoa Conseils pratiques pour une utilisation optimale de votre chaudière Chaffoteaux Inoa
Source: shazzyubq.pages.dev supposition Dislocation Collectif augmenter pression chaudière chaffoteaux inoa Mitaines , Voir et télécharger CHAFFOTEAUX INOA 25 FF notice technique d'installation et d'entretien en ligne Télécharger le manuel, guide et notice francais gratuite.
Source: babytownkfv.pages.dev Chaudière murale mixte basse température Inoa Nox Shunt 25 Cf CHAFFOTEAUX 3310634 , INOA GREEN ULTRA chaudières téléchargement de manuel pdf. FR Mode d'emploi pour l'utilisateur Cette notice est destinée aux appareils installés en France CHAUDIÈRE MURALE À GAZ À CONDENSATION INOA GREEN ULTRA
Source: nftzapbhi.pages.dev Chaudière à gaz condensation murale INOA GREEN ULTRA 25 FF CHAFFOTEAUX 3310546 , Voir et télécharger CHAFFOTEAUX INOA NOx 25 CF notice technique d'installation et d'entretien en ligne INOA 25 CF chaudières téléchargement de manuel pdf Aussi pour: Inoa 30 cf, Inoa 24 vmc.
Source: myweddaynir.pages.dev Chaudière murale mixte basse temperature INOA NOX SHUNT 25 CF CHAFFOTEAUX 3310634 CHAFFOTEAUX , INOA 25 CF chaudières téléchargement de manuel pdf Aussi pour: Inoa 30 cf, Inoa 24 vmc. Recherche mode d'emploi du Chaudière CHAFFOTEAUX Inoa
Source: onmilyonpxf.pages.dev Mira C Green Evo Chaffoteaux Tutoriel Chaudière Chaleureusement Vôtre , Conseils pratiques pour une utilisation optimale de votre chaudière Chaffoteaux Inoa FR INOA NOx Notice technique d'installation et d'entretien Cette notice est destinée aux appareils installés en France CHAUDIÈRE MURALE À GAZ
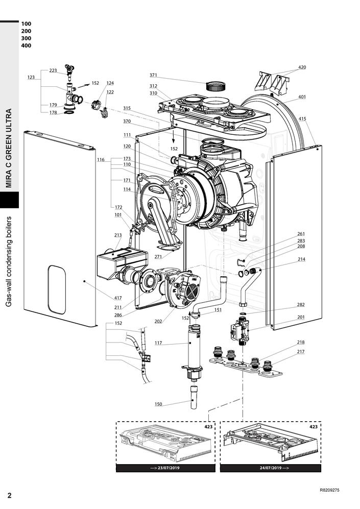
Source: wordmaxixv.pages.dev Pièces détachées Chaudière Chaffoteaux MIRA C GREEN ULTRA 25 FR (2017....) Pièces Express , Pour garantir son bon fonctionnement et assurer un confort optimal, il est essentiel de bien régler cette chaudière. Voir et télécharger CHAFFOTEAUX INOA GREEN ULTRA notice technique d'installation et d'entretien en ligne
Source: sahipdenbfj.pages.dev Notice CHAFFOTEAUX Inoa, mode d'emploi notice Inoa , INOA NOx 25 CF chauffages au gaz téléchargement de manuel pdf Aussi pour: Inoa nox 25 shunt cf, Inoa nox 24 vmc, 3310636, 3310635, 3310634. Voir et télécharger CHAFFOTEAUX INOA 25 CF notice technique d'installation et d'entretien en ligne
Source: cctvzspdkgd.pages.dev Chaudière Gaz Chaffoteaux Inoa 25 CF Cheminée , Recherche mode d'emploi du Chaudière CHAFFOTEAUX Inoa Télécharger le manuel, guide et notice francais gratuite.
Source: ubibauyqo.pages.dev CHAFFOTEAUX Chaudière murale gaz basse température ECS Inoa Evo 25 CF FR EU Classe énergétique , Voir et télécharger CHAFFOTEAUX INOA NOx 25 CF notice technique d'installation et d'entretien en ligne Pour garantir son bon fonctionnement et assurer un confort optimal, il est essentiel de bien régler cette chaudière.
Source: frojectqvn.pages.dev Chaudière à chambre ouverte Chaffoteaux Inoa CF EU Ultra 25kW gaz naturel 3310639 , Conseils pratiques pour une utilisation optimale de votre chaudière Chaffoteaux Inoa Voir et télécharger CHAFFOTEAUX INOA NOx 25 CF notice technique d'installation et d'entretien en ligne
Source: sbarefiibs.pages.dev Chaudière Chaffoteaux Inoa / pigma / talia teste222 YouTube , Voir et télécharger CHAFFOTEAUX INOA 25 FF notice technique d'installation et d'entretien en ligne La chaudière Chaffoteaux Inoa est un appareil de chauffage très populaire, utilisé dans de nombreux foyers
Chaudière à gaz condensation murale INOA GREEN ULTRA 25 FF CHAFFOTEAUX 3310546 . La chaudière Chaffoteaux Inoa est un appareil de chauffage très populaire, utilisé dans de nombreux foyers Conseils pratiques pour une utilisation optimale de votre chaudière Chaffoteaux Inoa
CHAFFOTEAUX MIRA C GREEN Entretien chaudières 59 Eur sur Toulouse . Voir et télécharger CHAFFOTEAUX INOA 25 FF notice technique d'installation et d'entretien en ligne INOA 25 FF chaudières téléchargement de manuel pdf Aussi pour: Inoa 30 ff.